极速快3

您好!欢迎光临极速快3品牌官网!

深圳市极速快3有限公司

ShenZhen XuanXinWei Technoligy Co.,Ltd
二极管、三极管、MOS管、桥堆

全国服务热线:18923864027

  • 热门关键词:
  • 桥堆
  • 场效应管
  • 三极管
  • 二极管
  • 全桥驱动电路图,全桥驱动电路原理介绍
    • 发布时间:2024-05-21 17:16:30
    • 来源:
    • 阅读次数:
    全桥驱动电路图,全桥驱动电路原理介绍
    全桥电路设计分析
    1.MOS/IGBT的栅极引脚部分的电路:
    简单来说就是驱动全桥电路就早驱动信号驱动MOS/IGBT的栅极,但是驱动信号直接送到机极上是不可以的,因为MOS/IGBT栅极结构原因,存在电容,如果驱动信号不辅助栅极部分的硬件电路会使MOS/IGBT一直导通,造成全桥电路中的四个管全部导通,结果可想而知。
    解决方案比如下图所示:
    全桥驱动电路
    2.MOS/IGBT的保护电路:
    MOS/IGBT管具有较脆弱的承受短时过载能力,所以在应用时必须为其设计合理的保护电路来提高器件的可靠性。常见的保护电路有很多种,比如RC保护电路或者RCD保护电路。
    本次设计采用的是RCD 缓冲吸收电路和MOS管构成全桥逆变电路,将直流高压电转换为交流激励信号。
    全桥驱动电路
    3.全桥电路的器件选型问题:
    全桥电路中每一个器件的选型都尤为重要,可能哪一个器件的承受值不满足可能会造成整个全桥电路瘫痪。比如MOS管的选型,在计算最大工作频率时要关注MOS管的上升和下降时间,以及保护电路的器件特性等。
    本次设计的全桥逆变电路(IRFP460MOS管、水泥电阻、聚酯膜电容以及快恢复二极管等),其中最高工作频率以及耐压耐流主要看所选择的器件(IGBT工作频率会低一些,但是耐压耐流值高)。
    下图是全桥逆变电路的输出波形:
    全桥驱动电路
    下图是本次设计中采样电阻采到的波形(可以看出峰峰值电流达到100A)。
    全桥驱动电路
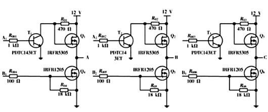
    无刷直流电机三相六臂全桥驱动电路
    无刷直流电机驱动控制电路如图所示。该电路采用三相六臂全桥驱动方式,采用此方式可以减少电流波动和转矩脉动,使得电机输出较大的转矩。
    在电机驱动部分使用6个功率场效应管控制输出电压,四轴飞行器中的直流无刷电机驱动电路电源电压为12V.驱动电路中,Q1~Q3采用IR公司的IRFR5305(P沟道),Q4~Q6为IRFR1205(N沟道)。
    该场效应管内藏续流二极管,为场效应管关断时提供电流通路,以避免管子的反向击穿,其典型特性参数见表1.T1~T3采用PDTC143ET 为场效应管提供驱动信号。
    全桥驱动电路
    由图可知,A1~A3 提供三相全桥上桥臂栅极驱动信号,并与ATMEGA16单片机的硬件PWM驱动信号相接,通过改变PWM信号的占空比来实现电机转速控制;B1~B3提供下桥臂栅极驱动信号,由单片机的I/O口直接提供,具有导通与截止两种状态。
    无刷直流电机驱动控制采用三相六状态控制策略,功率管具有六种触发状态,每次只有两个管子导通,每60°电角度换向一次,若某一时刻AB相导通时,C相截至,无电流输出。
    单片机根据检测到的电机转子位置,利用MOSFET的开关特性,实现电机的通电控制,例如,当Q1、Q5打开时,AB相导通,此时电流流向为电源正极→Q1→绕组A→绕组B→Q5→电源负极。
    类似的,当MOSFET打开顺序分别为Q1Q5,Q1Q6,Q2Q6,Q2Q4,Q3Q4,Q3Q5时,只要在合适的时机进行准确换向,就可实现无刷直流电机的连续运转。
    〈烜芯微/XXW〉专业制造二极管,三极管,MOS管,桥堆等,20年,工厂直销省20%,上万家电路电器生产企业选用,专业的工程师帮您稳定好每一批产品,如果您有遇到什么需要帮助解决的,可以直接联系下方的联系号码或加QQ/微信,由我们的销售经理给您精准的报价以及产品介绍
     
    联系号码:18923864027(同微信)
    QQ:709211280

    相关阅读
    79991cm德彩网 美彩国际7709 佰富彩采购大厅-欢迎您 名贯彩票-大发精准计划 88爱彩 - 欢迎您 美彩国际 - 欢迎您 德彩网 - 欢迎您 79991cm德彩网