太阳能路灯系统实质上是一个小的独立光伏系统,主要由太阳能电池、蓄电池、控制电路、照明电路四部分组成。目前,太阳能路灯控制器还处于研究和开发阶段,市售的控制器多采用单片机控制方式,有电路复杂、成本较高、维修困难等缺点。针对这些不足,本文设计了一种新型的太阳能LED照明控制电路,利用TIA31的可控开关特性实现了太阳能路灯系统路灯的开关控制、蓄电池过充电、过放电保护等功能。该控制器高效、节能、灵敏,能够满足太阳能路灯在实际应用中的要求。
1.控制器主要功能
(1)蓄电池过充电保护功能:白天,光伏板在控制器的控制下向蓄电池充电,当蓄电池端电压升高到14.4V时,控制器自动切断充电回路,防止过充电,保护蓄电池,延长其寿命。
(2)蓄电池过放电保护功能:夜晚,蓄电池在控制器的控制下向LED路灯供电,当蓄电池端电压降低到10.6V时,控制器自动切断LED路灯,避免蓄电池过放电。
(3)LED路灯自动通断功能与恒流控制功能:夜幕降临时,自然光照亮度低于室外照明亮度要求,控制器自动打开太阳能路灯开关,蓄电池向路灯供电。当白天自然光充足时,控制器控制太阳能路灯自动熄灭。蓄电池电压通常被控制在10.6V~14.4V之间。为保持LED路灯的光照度基本一致并提高蓄电池供电时间,通过LED路灯恒流控制电路控制LED路灯电流基本保持恒流。
2.控制器硬件设计
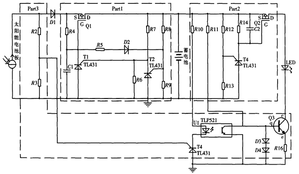
本文设计的太阳能路灯控制器电路如图1所示。


太阳能路灯控制器电路框图
图1 太阳能路灯控制器电路框图
2.1TL431芯片简介
TL431是德州仪器公司(TI)生产的一个有良好热稳定性能的精密三端并联稳压二极管并联稳压器。如图2所示,TL431由一个2.5V的精密基准电压源、一个电压比较器和一个输出开关管等组成。参考端R的输出电压与2.5V的精密基准电压源比较,当R端电压VR达到或超过2.5V时,TL431阴极向阳极方向立即导通。精确控制R极信号电压,就可以精确控制其阴极向阳极方向的开关状态。


TL431等效功能框图
图2 TL431等效功能框图
本太阳能路灯控制器就是基于TL431的这个功能对控制电路进行设计的。
2.2过充电保护控制电路设计
蓄电池是太阳能路灯系统的重要部件,必须设计保护电路以避免电池过压或欠压,从而延长电池寿命。设计中选择的型号为12V 7.2AH的蓄电池,要求电压保持在10.6V~14.4V。
图1中虚线框Part1部分为蓄电池过充电保护控制电路原理图。通过合理选择R8和R9的阻值,使得当蓄电池两端电压达到14.4V时,T2参考极电压恰好达到2.5V,T1参考极和阳极之间的电压小于2.5V。因此,T1被关断,从而P沟道场效应管Q1工作在截止区,将充电回路切断,从而避免电池过充电。
电路中利用T2控制T1的参考极电压,使得T1的参考电压只出现在远大于或远小于2.5V的区间,从而避免了来自太阳能电池侧电路的干扰,这样可使电池电压刚到达14.4V时,电路能够彻底切断,增加了保护电路的稳定性和可靠性。
2.3过放电保护控制电路设计
图1中虚线框Part2部分给出了蓄电池过放电保护控制电路原理图。过放电保护控制电路与过充电保护控制电路有一定的相似性,通过合理选择R12和R13的阻值可以控制T3的开通与关断,从而达到防止电池过放电以致电压低于10.6V的目的,在此不予赘述。
2.4LED路灯控制电路设计
如图1中虚线框Part3部分给出了LED路灯控制电路原理图,其实现的功能是白天关灯、晚上开灯和LED准恒流控制功能。
具体开关动作主要由T4(TIA31)实现。当VR≥2.5V时,T4阴极向阳极导通,从而控制光耦开关U1导通,NPN型三极管Q3进入截止区,从而将LED负载从主电路中切除出去,路灯灭;反之,当VR<2.5V时,三极管工作在饱和区,LED负载通过Q3接入主回路,路灯亮。利用太阳能电池板在不同光照强度下(白天和黑夜)开路电压不同的特点,选择合适阻值的R2和R3,使得在路灯需要开或关时刻的光照强度下,R3两端电压(即T4的参考极电压)恰好为2.5V,即可实现路灯的智能开关控制。
电池向LED负载供电过程中,由于二极管D3、D4的钳位作用,Q3的b极电压基本保持不变,其e极电压亦维持在较稳定状态,R16中的电流基本恒定,从而实现LED准恒流控制功能。
另外,在实际应用中,控制器电路中的Q2和Q3可以用一个AP4511GM芯片代替,既可以简化电路,又可以降低成本。
3.控制器性能测试
为了对控制器进行测试,选取了18V20W太阳能电池板和12V 7.2AH蓄电池、230mA LED灯对控制器进行了实际测试。
3.1充电性能测试
太阳能电池板的开路电压随光照强度变化而变化,所以蓄电池充电曲线还受天气、时间等因素的影响。在实验中选取了3个晴天,从上午10:00开始进行充电测试,得出蓄电池在理想状态下利用控制器进行充电的曲线如图3所示。在一天中光照条件较好的10:00到15:00的5个小时内,蓄电池电压从10.8V升到14.4V,实际上此时控制器已关断充电回路。从充电曲线可以看出,控制器满足充电控制的设计要求。


蓄电池充电曲线
图3 蓄电池充电曲线
3.2放电性能测试
为了得到完整的放电曲线,将太阳能板用黑布覆盖或切断充电回路进行连续放电,蓄电池放电曲线如图4所示,其中放电电流基本保持在230mA左右。可以看出,蓄电池可以保持路灯工作16个小时,并在10.6V左右自动关断,其放电性能满足太阳能路灯设计要求。


蓄电池放电曲线
图4 蓄电池放电曲线
结束语
本文总结基于TL431的太阳能LED路灯控制器设计,该控制器具有过充电、过放电保护、LED准恒流控制等功能,并可根据亮度自动启动和关闭LED路灯。通过实验表明:该控制器不仅能够满足LED路灯的控制要求,而且运行可靠、成本低廉、维修方便,具有极高的推广价值。
电话:18923864027(同微信)
QQ:709211280
〈烜芯微/XXW〉专业制造二极管,三极管,MOS管,桥堆等,20年,工厂直销省20%,上万家电路电器生产企业选用,专业的工程师帮您稳定好每一批产品,如果您有遇到什么需要帮助解决的,可以直接联系下方的联系号码或加QQ/微信,由我们的销售经理给您精准的报价以及产品介绍

